Повітряна камінна топка Gavryliv&Sons 37×80x37x54 Гільйотина
164 415 грн.
Бренд: Gavryliv & Sons
Це потужний камін, призначений для обігріву вашого будинку. Ви отримуєте продукт, призначений для роботи як з конвекційними, так і з системами акумуляції. Ми подбали про високу стійкість до стресів і простоту експлуатації вашого каміна.
Gavryliv&Sons 37×80x37x54 потужний камін, призначений для обігріву вашого будинку. Ви отримуєте продукт, призначений для роботи як з конвекційними, так і з системами акумуляції
Шамот.
Wolfshöher Tonwerke, що вже впродовж 160 років є безумовним лідером галузі зі своїми родовищами та найтехнологічнішими виробничими потужностями. Тривала та тісна співпраця з німецькою компанією дозволила втілити два дизайни внутрішнього футерування камери спалювання. Тепер у вас є можливість дизайн каміну на власний смак.
Пічний шамот – це не те саме, що шамот індустріальний та футерування на основі бетонних виробів. Залежно від вибору глини та рецептури вироби Wolfshöher Tonwerke відповідають найрізноманітнішим вимогам. В окремих випадках пічний шамот повинен бути особливо твердим, часто особливо стійким до займання сажі та впливу вологи, по можливості легким в обробці і завжди добре зберігає тепло.

Направляючі дверцят гільйотини.
Ми подбали про якість виробу та безпеку під час експлуатації камінної топки. Система гільйотини виконана на нержавіючих високоточних лінійних направляючих та подвійних підпружинених каретках.
Це рішення дозволяє отримати довговічну систему відкривання дверцят вгору з мінімізованим зношуванням ущільнювачів.
Фарба.
Використання німецької фарби Senotherm uht 600 на водяній основі дозволяє вам не відчувати запаху та диму при першому розпалі камінної топки. Високоякісні пігменти впродовж періоду експлуатації не будуть змінювати відтінок.
Кераміка.
Німецький виробник ROBAX® склокерамічних панелей, який є лідером галузі.
ROBAX® має майже нульове теплове розширення і надзвичайно високі характеристики впливу від термічного навантаження при екстремальних температурах до 760°C. Ідеальне рішення для вашого каміна.
Дверний профіль.
Жаростійкість дверцят такого великого формату забезпечує спеціальний цільнотянутий сталевий профіль. Це ексклюзивний профіль особливого січення, що був розроблений нами з перспективою використання у топках великих форматів.

Дверний молдинг.
Зсередини дверцята мають спеціальний молдинг з нержавіючої сталі. Це дуже естетичне рішення, з яким камін виглядає виразно та завершено. Естетика не є єдиною функцією такого молдингу: завдяки хорошому екрануванню, дверний профіль менше нагрівається, а жар, що випадково розсипається за межі топочної, скочується назад. Оскільки рух повіря для чистого скла здійснюється по напрямку згори донизу, то молдинг згладжує його рух і запобігає задимленню скла у нижній частині.

Регульовані замки, завіси, дотягувачі.
Ми подбали про багаторічну експлуатацію наших виробів: завіси, замки та уловлювачі є регульованими. Після тривалого використання шнур втрачає свою еластичність, дверцята перестають прилягати герметично і топка втрачає свою регульованість та красу горіння. Замість негайної заміни шнура, можна просто відрегулювати завіси та замок. Якщо заміна шнура відбудеться на відмінний від заводського, то регулюванням завіс можна буде виставити дверцята.
Незалежна дверна рама від корпусу з компенсацією розширення топки.
При горінні топка нагрівається і змінює свої розміри. Для того, щоб забезпечити незмінність геометрії дверцят та монтажних розмірів, ми відокремили корпус топки від дверної рами компенсаційним шнуром. Тепер, оскільки топка та дверна рама є окремими частинами, дверцята завжди відмінно закриваються, а монтажні зазори залишаються стабільними. Таке рішення є значно коштовнішим, ніж безрамне, з приляганням дверцят безпосередньо до корпуса, але якість вартує цих затрат.

Сталь.
Більшість виробників, щоб здешевити вартість продукції, використовує сталь гарячого прокату. Ця сталь використовується у виробах, де не потрібна висока якість поверхні. З такої сталі можна робити брами та огорожі. Ми в свою чергу використовуємо тільки сталь холодного прокату. За своїми фізичними характеристиками холоднокатані сталі найчастіше твердіші і міцніші, ніж стандартні гарячекатані сталі. Через те, що метал формується за більш низьких температур, твердість сталі, стійкість до руйнування при розтягуванні та опір деформації збільшуються.
Холоднокатана сталь відмінно підходить для виробів, які потребують точних розмірів та покращених характеристик поверхні.

Рекордно низька висота.
Конструкція топки дозволяє реалізувати будь-який дизайнерський проект завдяки рекордно низькій компоновці монтажної рами.

Глибоке дно.
Глибоке дно камери згоряння позбавляє вас від частого чищення вашого каміна. Таким чином ви будете не обмежувати себе частою рутиною по прибиранню попелу від палива. Обираючи камінну топку з глибоким подовим дном – ви інвестуєте у свій вільний час від прибирання каміну.

| Бренд | |
|---|---|
| Виробник | Україна |
| Вид топки | Повітряна топка закритого типу |
| Матеріал топки | Сталь |
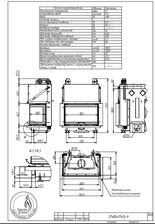
| Потужність | 11 кВт |
| ККД | 80 % |
| Паливо | Дерево |
| Максимальна довжина полін | 300 мм |
| Діаметр димоходу | 200 мм |
| Підведення повітря | так |
| Діаметр допливу повітря | 150 мм |
| Внутр. оздоблення топки | Шамот |
| Метод відкриття дверей | гільйотина |
| Вид скла | трьохстороннє |
| Подвійне допалювання | Так |
| Система чистого скла | так |
| Розміри ВхШхГ | 1313х1043х659 мм |
| Вага | 271 кг |
| Камінна топка | Gavryliv&Sons 37×80x37x54 |
| Доступні варіанти | Ребристий шамот, Гладкий шамот |

















